Search
Filters
Close

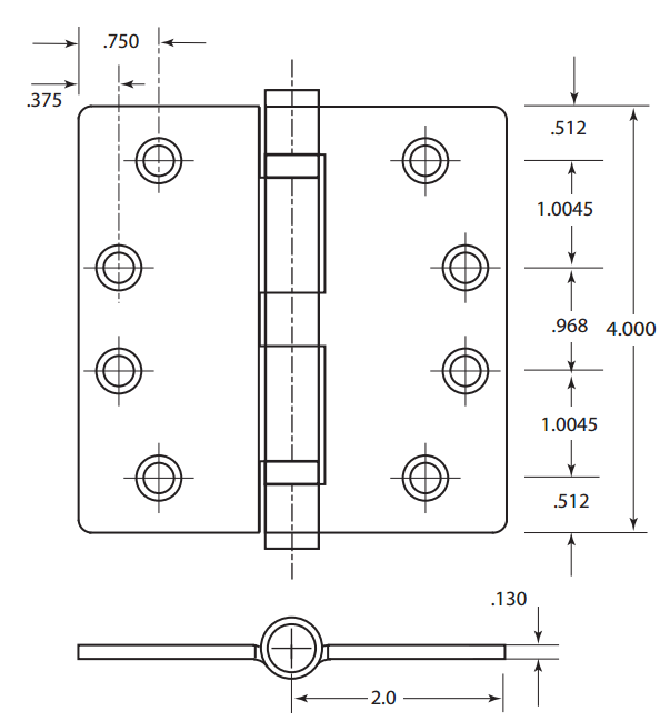
4" x 4" Mortise Hinge

SKU: BBRC45
$6.05

Write your own review
  • Bad
  • Excellent